NOVOSENSE sensor solutions can be used in home ventilators, home oxygen generators, forehead thermometer, ear thermometer and wearable temperature monitoring devices.

Home ventilators
The working principle of home ventilator is to make use of the gas pressure difference. When ventilator is ventilated, the mechanical driving makes the air pressure at the air passage greater than the alveolar pressure, and the gas enters the lungs. After removing the external mechanical driving pressure, the elasticity of the chest and lungs retracts, the alveolar pressure is greater than the air passage pressure, and the gas is discharged from the lungs.
NOVOSENSE provides the following products for home ventilators:
NSPDS5/9 series dual-nozzle differential pressure sensor: Support I2C/ analog output, with standby current < 10μA, ex-factory accuracy of up to ±0.5% F.S, and pressure range between ±125Pa ~ ±250kPa. Applications: airflow and respiration control, filtration cleanliness monitoring, as well as fan pressure and gas flow control.
NSPGS5/GD1 series single-nozzle gauge pressure sensor: Support I2C/ analog output, with standby current < 10μA, ex-factory accuracy of up to ±0.5% F.S, and pressure range between -10kPa~+10kPa. Applications: airflow and respiration control, filtration cleanliness monitoring, and fan pressure control.
NSPAS3M series absolute pressure sensor: Support analog output, with chip package featuring internal waterproof moisture-proof, ex-factory accuracy of up to ±1.5% F.S, and pressure range of 0kPa ~ +40kPa. Applications: atmospheric pressure detection, pressure compensation, etc.
NSPGS2 series single-nozzle gauge pressure sensor: Support I2C/ analog output, with ex-factory accuracy of up to ±1% F.S, and pressure range between -100kPa~+350kPa. Applications: Compressed air and gas pressure detection.
NSHT3x series small low-power I2C-interface high-precision digital temperature and humidity sensor: Support I2C/SMBus alarm output, with accuracy of up to ±0.3°C and ±3%RH, and ultra-low power consumption of 1.7μA @ 4Hz/0.2μA sleeping current. Application: Temperature and humidity management of air and gas mixtures.
NSM2012 and NSM2016 series integrated Hall effect current sensor chip: With very low primary on-off resistance, it can achieve AC or DC current measurement accuracy of up to 2% in the whole temperature range. It adopts analog voltage output without secondary programming for easy operation, with withstand isolation voltage of up to 3000Vrms to meet the high isolation grade of UL standard and improve the design flexibility, bandwidth of up to 400kHz and response time as low as 1.5μs to greatly reduce the risk of smoke and ignition in abnormal conditions such as short circuit, and compact SOIC8 package to lower space requirements and improve cost performance, being the perfect solution for power monitoring of medical devices.
Home oxygen generator
The home oxygen generator adopts the physical adsorption of molecular sieve and desorption technology. The oxygen generator is filled with molecular sieve to absorb the nitrogen from the air when pressurized, and the remaining unabsorbed oxygen is collected and purified to become high purity oxygen.
NSPGS2 series pressure sensor is the product of NOVOSENSE used in home oxygen generator. It integrates the functions of amplification, calibration and warming, with air nozzle provided for SOP patch package for easy operation; It integrates 24-bit ADC and 12-bit DAC and supports sleep mode, greatly reducing MCU load. It has high precision and good performance, with comprehensive accuracy of 2.5% between -20 ~ 70°C. MEMS chip takes air from the back, with integrated internal temperature sensor for temperature compensation; It supports second-order temperature and third-order nonlinear calibration, with high flexibility and pressure range/output from 20 to 350kPa (± supported). It has various output forms: 0 ~ 5V analog voltage output (absolute), 0 ~ 5V analog voltage output (proportional) and I2C digital output.
Forehead thermometer and ear thermometer
For non-contact forehead thermometer, ear thermometer and other temperature measuring equipment, Seebeck effect based infrared thermoelectric temperature measurement is the first choice for rapid, intuitive, non-contact detection, with advantages compared with other temperature measurement methods. Such equipment requires the basic infrared thermoelectric detector, which is the core temperature measuring device of various forehead thermometers and ear thermometers -MEMS thermopile infrared detector. In the application of temperature measuring equipment, the thermopile sensor requires signal conditioning chip to play its role.
The NSA3300 launched by NOVOSENSE is a signal conditioning chip for thermopile sensor, which is mainly used to connect thermopile sensor, and amplify and sample the output voltage signal of the sensor. Usually, the front-end sensor outputs a very small signal, and the common digital-to-analog conversion conditioning chip converts the analog signal into digital signal through the ADC conversion module and amplification module. NSA3300 is an ADC conversion module designed for thermopile. It is a conditioning chip with ambient temperature compensation function and can directly output temperature measurement value, filling the gap in the domestic market.
The internal digital engine of the NSA3300 can automatically calculate the voltage output of the thermopile sensor into the temperature output according to the LUT data configured by the customer, so that the customer can directly read the temperature value through the I2C interface. In addition, the NSA3300 can also be configured into a digital switching output mode, used as a temperature switch. The internal threshold allows the customer to set the comparison threshold of overtemperature or undertemperature.

Caption: Functional block diagram of signal conditioning chip NSA3300 for thermopile sensor from NOVOSENSE
Other features of the NSA3300: an integrated non-calibrated ambient temperature sensor that can measure ambient temperatures from -40 °C to 125°C with an accuracy of ±0.2°C; Support a variety of working modes: continuous single-channel sensor and combined output of ambient temperature, continuous two-channel sensor and combined output of ambient temperature, as well as continuous two-channel sensor output and sleep mode; The two differential input channels support the access of two sensors, and the ODR of each channel can reach nearly 800Hz, and various output modes such as I2C, PWM and interrupt output are supported, with typical power consumption of sleep mode of as low as 5μA.
Wearable temperature monitoring devices
Temperature measurement has become one of the important means of health monitoring management and multidimensional prevention. People want to know their health status anytime and anywhere through the wearable device with the function of temperature measurement, so as to realize self-protection. However, the temperature measurement applications of wearable devices often encounter challenges such as very limited space, high precision, ultra-low power consumption, response speed and easy operation, which puts forward higher requirements for temperature measurement sensors.
The contact-type temperature measurement solution of NOVOSENSE adopts high-precision digital temperature sensor NST112x, which has the characteristics of fast temperature response, short temperature measurement time, low power consumption, high precision and low spontaneous heat. It is especially suitable for watches, wristbands and Bluetooth body temperature stickers.

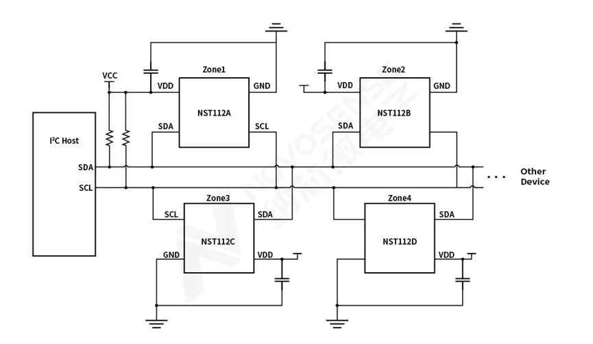
Caption: Functional block diagram of NOVOSENSE high-precision digital temperature sensor NST112x
The NST112x has a port compatible with I2C and SMBus, programmable alarm and SMBus reset functions, and supports up to four devices on a single bus. In terms of accuracy, it achieves accuracy up to ±0.5 °C in the range of -20 °C to 125°C without calibration. As a highly linear temperature sensor, the NST112x can derive the temperature without having to reassemble the calculation or lookup. Its 14-bit analog-digital conversion provides resolution up to 0.015625°C.
Here are the features of the NST112x series:
l The sampling rate is 4Hz, and the average power consumption is only 5.7μA
l DSBGA-4 (0.75mm×0.75mm) package achieves output accuracy of up to ±0.2°C in the temperature range
l It adopts SMT process with high assembly precision tolerance for mass production
l The response time is 0.1s when the temperature reaches 63%, and 12.73s when the temperature reaches 99% according to the product structure design
The NST112x has an operating temperature range of -40°C to 125°C and is suitable for communication, computers, consumer products, environmental, industrial and instrumentation applications, especially temperature measurement of battery powered Internet of Things. In the future, temperature sensors are likely to become standard in a variety of portable devices, bringing more convenience to people's daily life.
Sample application
For sample application or order, please email to sales@xianyujc.com, or call 0086-512-62601802-810.